繁體中文
/
简体中文
/
English
/
日本語
企業情報
/
企業理念
/
製品情報
/
開孔率自動試算
/
お問い合わせ
30°千鳥型
角千鳥型
並列型
長丸穴千鳥型
長丸穴並列型
角穴千鳥型
角穴並列型
六角形60°千鳥型
長丸穴千鳥型
長丸穴並列型
ホーム
> 開孔率自動試算 > 角千鳥型
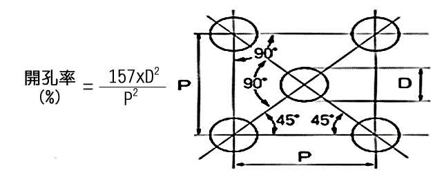
角千鳥型
下記フォームの入力項目に半角英数字で入力して計算開始ボタンを押してください。
入力項目
計算結果
D
開孔率(%)
P
計算開始
クリア
» 企業情報
› 会社沿革
› 会社組織グラフ
› 海外拠点
› 主要クライアント
› 受賞と認証
» 企業理念
› 将来への展望
» 製品情報
› NB&AIOスピーカー
› 金物アクセサリ
› 金網製品
› 金属製のバケツスピーカー
› ステレオスピーカー
› 特殊な表面スタイル
› 放熱用
› プラスチックメッシュ
› トリム
› ブルートゥースヘッドセット
› 製品仕様
» 開孔率自動試算
› 30°千鳥型
› 角千鳥型
› 並列型
› 長丸穴千鳥型
› 長丸穴並列型
› 角穴千鳥型
› 角穴並列型
› 六角形60°千鳥型
› 長丸穴千鳥型
› 長丸穴並列型
» お問い合わせ
› 連絡先
› お問い合わせとご相談