繁體中文
/
简体中文
/
English
/
日本語
About us
/
Vision
/
Products
/
Open Porosity Calculation
/
Contact us
30deg.Staggered
45deg.Staggered
90deg.Straight
Round End Slot Staggered
Round End Slot Straight
Square Staggered
Square Straight
Hexagonal 60deg.Staggered
Square End Slot Staggered
Square End Slot Straight
Home
> Open Porosity Calculation > 45deg.Staggered
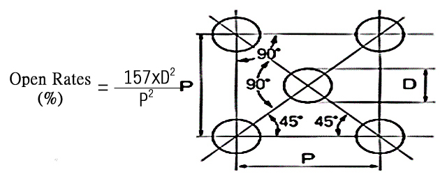
45deg.Staggered
Please press the button to start the calculation alphanumeric characters in the input fields of the form below.
Enter the Item
Spreadsheet Results
D
Open Rate(%)
P
Calculation begins
Reset
» About us
› History
› Organization Chart
› Global Location
› Customer Distribution
› Award and Certification
» Vision
› Vision of Future
» Products
› NB&AIO speaker mesh
› Stand & hardware parts
› Metal mesh
› Speaker drum
› Stereo speakers
› Special surface pattern
› Cooling usage
› Plastic net
› Trim
› Bluetooth headset
› Product specifications
» Open Porosity Calculation
› 30deg.Staggered
› 45deg.Staggered
› 90deg.Straight
› Round End Slot Staggered
› Round End Slot Straight
› Square Staggered
› Square Straight
› Hexagonal 60deg.Staggered
› Square End Slot Staggered
› Square End Slot Straight
» Contact us
› Contact Info
› Customer Opinions