繁體中文
/
简体中文
/
English
/
日本語
关于我们
/
愿景未来
/
产品讯息
/
开孔试算
/
联络我们
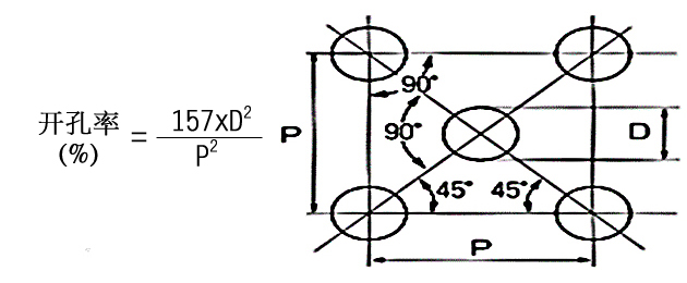
30度千鸟型
45度角千鸟型
90度并列型
长丸穴千鸟型
长丸穴并列型
角穴千鸟型
角穴并列型
六角形60度千鸟型
长角穴千鸟型
长角穴并列型
首页
> 开孔试算 > 45度角千鸟型
45度角千鸟型
请于以下栏位中填入数字,并点选开始计算按钮。
输入项目
试算结果
D
开孔率(%)
P
开始计算
清除重填
» 关于我们
› 历史沿革
› 佶立组织架构图
› 全球据点
› 客户分布
› 得奖与认证
» 愿景未来
› 愿景未来
» 产品讯息
› NB及AIO喇叭网
› 支架及五金配件
› 金属编织网
› 音箱铁桶
› 音响喇叭
› 特殊表面样式
› 散热使用
› 塑胶网
› 饰条
› 蓝芽耳机
› 产品规格
» 开孔试算
› 30度千鸟型
› 45度角千鸟型
› 90度并列型
› 长丸穴千鸟型
› 长丸穴并列型
› 角穴千鸟型
› 角穴并列型
› 六角形60度千鸟型
› 长角穴千鸟型
› 长角穴并列型
» 联络我们
› 联络资讯
› 客户意见